欢迎来到360直播网足球直播网西北工控技术的首选西安plc控制柜价格专业,已累计设计2000多台西安plc配电柜,陕北石油使用西安电控柜技术安全
Product classification

产品中心

contact us

联系我们

plc的工作原理及20张接线图详细地理解阅读 图文

发布时间:2025-11-27 08:44:25   来源:360直播网足球直播网
产品描述

  PLC在二十世纪八十年代至九十年代得到了迅速发展,全球范围内的PLC年增长率保持为20%~30%。随着工厂自动化程度的逐步的提升和PLC市场容量基数的逐步扩大,近年来PLC在工业发达国家的上涨的速度放缓。但是,在中国等发展中国家PLC的增长十分迅速。综合有关的资料,2004年全球PLC的出售的收益为100亿美元左右,在自动化领域占据着十分重要的位置。

  3、输入刷新过程,当输入端口关闭时,程序在进行执行阶段时,输入端有新状态,新状态不能被读入。只有程序进行下一次扫描时,新状态才被读入;

  6、扫描周期的长短由三条决定。(1)CPU执行指令的速度(2)指令本身占有的时间(3)指令条数,现在的PLC扫描速度都是非常快的;

  7、由于采用集中采样,集中输出的方式,存在输入输出滞后的现象,即输入输出响应延迟。

  以上七条是plc的详细工作原理,现在我们来看看由上海益东电器为你收集整理的20张关于plc接线图的详细解读,内容比较多,大家要有耐心看完哦

  一、概述PLC的数字量输入接口并不复杂,PLC为了更好的提高抗干扰能力,输入接口都采用光电耦合器来隔离输入信号与内部处理电路的传输。因此,输入端的信号只是驱动光电耦合器的内部LED导通,被光电耦合器的光电管接收,即可使外部输入信号可靠传输。

  目前PLC数字量输入端口一般分单端共点与双端输入,由于有区别,用户在选配外部传感器时接法上需要一定的区分与了解才能正确使用传感器与PLC为后期的编程工作和系统稳定奠定基础。

  二、输入电路的形式1、输入类型的分类PLC的数字量输入端子,按电源分直流与交流,按输入接口分类由单端共点输入与双端输入,单端共点接电源正极为SINK(sinkCurrent拉电流),单端共点接电源负极为SRCE(sourceCurrent灌电流)。

  2、词语的概述SINK漏型为电流从输入端流出,那么输入端与电源负极相连即可,说明接口内部的光电耦合器为单端共点为电源正极,可接NPN型传感器。SOURCE源型为电流从输入端流进,那么输入端与电源正极相连即可,说明接口内部的光电耦合器为单端共点为电源负极,可接PNP型传感器。接近开关与光电开关三、四线输出分NPN与PNP输出,对于无检测信号时NPN的接近开关与光电开关输出为高电平(对内部有上拉电阻而言),当有检测信号,内部NPN管导通,开关输出为低电平。对于无检测信号时PNP的接近开关与光电开关输出为低电平(对内部有下拉电阻而言),当有检测信号,内部PNP管导通,开关输出为高电平。

  以上的情况只是针对,传感器是属于常开的状态下。3、按电源配置类型(1)直流输入电路如图1,直流输入电路要求外部输入信号的元件为无源的干接点或直流有源的无触点开关接点,当外部输入元件与电源正极导通,电流通过R1,光电耦合器内部LED,VD1(接口指示)到COM端形成回路,光电耦合器内部接收管接受外部元件导通的信号,传输到内部处理;这种由直流电提供电源的接口方式,叫直流输入电路;直流电可以由PLC内部提供也可以外接直流电源提供给外部输入信号的元件。R2在电路中的作用是旁路光电耦合器内部LED的电流,保证光电耦合器LED不被两线制接近开关的静态泄漏电流导通。(2)交流输入电路如图2,交流输入电路要求外部输入信号的元件为无源的干接点或交流有源的无触点开关接点,它与直流接口的区分在光电耦合器前加一级降压电路与桥整流电路。外部元件与交流电接通后,电流通过R1,C2经过桥整流,变成降压后的直流电,后续电路的原理与直流的一致。交流PLC一般适用相对环境恶劣,布线技改变动不大等场合;如接近开关就用交流两线直接替代原来行程开关。4、按端口类型(1)单端共点(Comcon)数字量输入方式为了节约输入端子,单端共点输入的结构是在PLC内部将所有输入电路(光电耦合器)的一端连接在一起接到标示为COM的内部公共端子,各输入电路的另一端才接到其对应的输入端子X0、X1、X2、点与N个单端输入就可以做N个数字量的输入(N+1个端子),因此我们称此结构为单端共点输入。用户在做外部数字量输入组件的接线时也需要同样的作法,需要将所有输入组件的一端连接在一起,叫输入组件的的外部共线;输入组件的另一端才接到PLC的输入端子X0、X1、X2、....SINK输入方式,可接NPN型传感器,即X端口与负极相连。SRCE输入方式,可接PNP型传感器。即X端口与整机极相连。(外部输入组件可以为按钮开关、行程开关、舌簧开关、霍尔开关、接近开关、光电开关、光幕传感器、继电器触点、接触器触电等开关量的元件。)(2)SINK(sinkCurrent拉电流)输入方式●单端共点SINK输入接线(内部共点端子COM→24V+,外部共线)SRCE(sourceCurrent灌电流)输入方式●单端共点SRCE输入接线(内部共点端子COM→24V-,外部共线)SINK/SRCE可切换输入方式S/S端子与COM端不同的是,COM是与内部电源正极或负极固定相连,S/S端子是非固定相连的,根据自身的需求才与内部电源或外部电源的正极或者负极相连。●单端共点SINK输入接线(内部共点端子S/S→24V+,外部共线V-)。

  ●单端共点SRCE输入接线(内部共点端子S/S→24V-,外部共线)当有源输入元件(霍尔开关、接近开关、光电开关、光幕传感器等)数量比较多,消耗功率比较大,PLC内置电源不能够满足时,需要配置外置电源。依据需求可以配24VDC,一定功率的开关电源。外置电源原则上不能与内置电源并联,根据COM与外部共线的特点,SINK(sinkCurrent拉电流)输入方式时,外置电源与内置电源正极相连接;SRCE(sourceCurrent灌电流)输入方式时,外置电源与内置电源负极相连接。(6)简单判断SINK(sinkCurrent拉电流)输入方式,只需要Xn端与负极短路,如果接口指示灯亮就说明是SINK输入方式。共正极的光藕合器,可接NPN型的传感器。SRCE(sourceCurrent灌电流)输入方式,将Xn端与正极短路,如果接口指示灯亮就说明是SRCE输入方式。共负极的光藕合器,可接PNP型的传感器。(7)对于2线式的开关量输入,如果是无源触点,SINK与SRCE按上图的输入元件接法,对于2线式的接近开关,需要判断接近开关的极性,正确接入。我公司部分2线式的LJK系列接近开关也有不分极性即可接入接口的,具体参考附带产品说明书。(8)超高速双端输入电路大多数都用在硬件高速计数器(HHSC)的输入使用,接口电压为5VDC,在应用上为确保高速及高噪音抗性一般会用双线驱动方式(Line-Drive)。如果工作频率不高与噪音低也能够使用5VDC的单端SINK或者SRCE接法,串联一个限流电阻转换成24VDC的单端SINK或者SRCE接法。(9)、双输入端双线驱动方式(Line-Drive)。

  (11)、24VDC的单端SINK或者SRCE接法。注:24VDC供电的传感器,在输入回路上需要串联限流电阻,R1为10Ω,R2为2KΩ,不串联限流电阻,将烧毁接口回路,限流电阻取值2.7KΩ。三、外部输入元件1、无源干接点(按钮开关、行程开关、舌簧磁性开关、继电器触点等)无源干接点最简单,接线容易。不存在电源的极性,压降等因素,上图3-6中的输入元件这是此类型。这里不重复介绍。2、有源两线制传感器(接近开关、有源舌簧磁性开关)有源两线接近开关分直流与交流,此传感器的特点是两根线,传器输出端导通后,为了能够更好的保证电路正常工作需要一个保持电压来维持电路工作,通常在3.5-5V的压降,静态泄露电流要小于1mA,这个指标很重要;如果过大,在接近开关没检测信号时,就使PLC的输入端的光电耦合器导通。我公司的LJK系列两线制接近开关静态泄露电流控制在0.35-0.5mA之间适应各类型PLC。直流两线制接近开关分二极管极性保护与桥整流极性保护,前者在接PLC时必须要格外注意极性,后者就不必须要格外注意极性。有源舌簧磁性开关主要用在汽缸上做位置检测,由于需要信号指示,内部有双向二极管回路,因此也不必须要格外注意极性;交流两线制接近开关就不必须要格外注意极性。如图10:(1)单端共点SINK输入接线(内部共点端子COM→24V+,外部共线)单端共点SRCE输入接线(内部共点端子COM→24V-,外部共线)S/S端子接法参考图5-图6以及图11-图12。3、有源三线传感器(电感接近开关、电容接近开关、霍尔接近开关、光电开关等)直流有源三制线接近开关与光电开关输出管使用三极管输出,因此传感器分NPN和PNP输出,有的产品是四线制,有双NPN或双PNP,只是状态刚好相反,也有NPN和PNP结合的四线输出。NPN型当传感器有检测信号VT导通,输出端OUT的电流流向负极,输出端OUT电位接近负极,通常说的高电平翻转成低电平。PNP型当传感器有检测信号VT导通,正极的电流流向输出端OUT,输出端OUT电位接近正极,通常说的低电平翻转成高电平。电路中三极管的发射极上的电阻为短路保护采样电阻2-3Ω不影响输出电流。三极管的集电极的电阻为上拉与下拉电阻,提供输出电位,方便电平接口的电路,另一种输出的三极管集电极开路输出不接上拉与下拉电阻。简单说当三极管VT导通,相当与一个接点导通,如图13:

  (1)单端共点SINK输入接线(内部共点端子COM→24V+,外部共线)单端共点SRCE输入接线(内部共点端子COM→24V-,外部共线)S/S端子接法参考图5-图6、图11-图12以及图14-图15。

  PLC输入接口电路形式和外接元件(传感器)输出信号形式的多样性,因此在PLC输入模块接线前必要了解PLC输入电路形式和传感器输出信号的形式,才能确保PLC输入模块接线正确无误,在实际应用中才能游刃有余,后期的编程工作和系统稳定奠定基础。

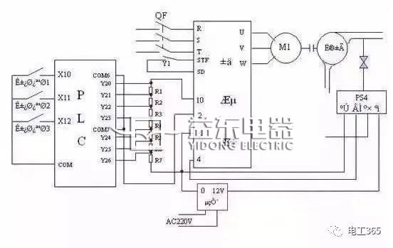
  工作图就是原理图或者系统图。接线图就是plc 应用的设计图纸,具体到输入输出点该如何接线。PLC接线图组成:输入端、接按钮、输出端、接交流接触器、PLC主体举例..电机正反转控制图.

  水泵PLC启动柜自出售起,上海益东电器提供全面的技术上的支持服务,在使用的过程中如需技术帮助,益东电器(变频控制柜厂家)设立了营销服务的专业客服,免费为用户更好的提供售前、售中、售后的技术咨询和安装调试指导,解决用户提出的问题。

  订货需知:因产品使用场景、用户想要不同,如需订购“plc变频控制柜”,请联系益东电器PLC工程师根据要求量身定做。

其他产品
cache
Processed in 0.004138 Second.